Prodotti Testate

Testate premitreccia serie LS con manicotto elastico
Posizione catalogo:

10

Testate premitreccia serie LS con manicotto elastico

Testate premitreccia serie LS con manicotto elastico
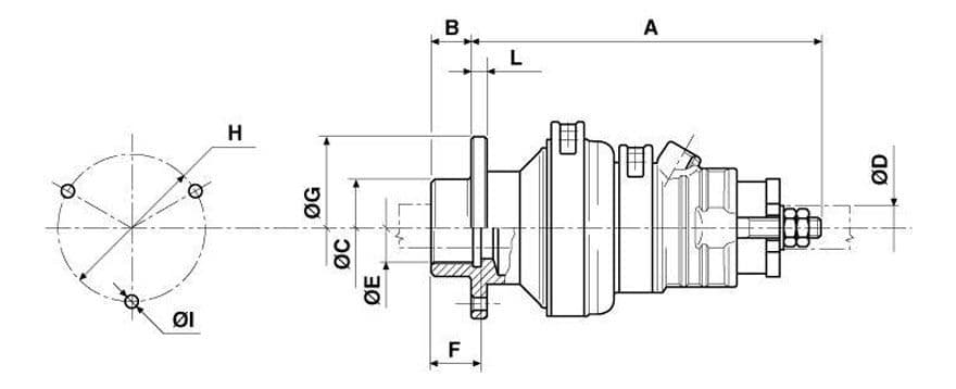
COD.ABCDEFGHIL
56201700195204825M40x1,525907578
56201800205205430M45x1,525907578
56203400214156135M50x1,530-9499
56203500242256840M55x240-10810,511
56203600252257445m 60x250-12010,511
56203700252258050M65X550-12010,511